Lexx24

Дверь багажника

В теме 149 сообщений

Мне кажется , если уж заморачиваться , то поставить кнопку на управление омывателей фар... Чтобы управлять самому этим процессом...

+100500

но и богажник не помешает. :)

Поделиться сообщением


Ссылка на сообщение
Поделиться на другие сайты
Мне кажется , если уж заморачиваться , то поставить кнопку на управление омывателей фар... Чтобы управлять самому этим процессом...

А кто нибудь это уже реализовал?

Поделиться сообщением


Ссылка на сообщение
Поделиться на другие сайты

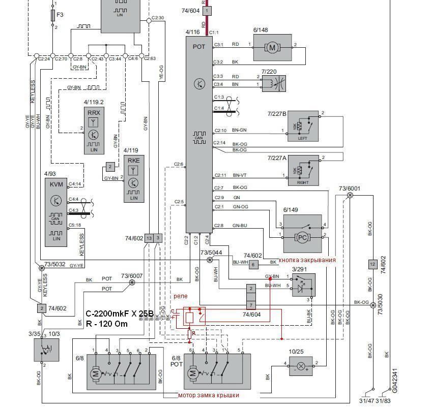
Да сделал согласно схемы от "Sergue" все работает но был один недостаток не с первого раза открывалась дверь с кнопки в салоне и с кнопки багажника, причина в одновременном срабатывании штатного "реле" и дополнительного, выход был найден сделать небольшую задержку (около1 сек.) на срабатывание доп реле включением RC цепочки в цепь питания реле (R-120 Ом, электролит С-2000, 2200 мкФ). Теперь все работает как надо. Очень удобно.

post-2530-14518357160585_thumb.jpg

Поделиться сообщением


Ссылка на сообщение
Поделиться на другие сайты
выход был найден сделать небольшую задержку (около1 сек.) на срабатывание доп реле включением RC цепочки в цепь питания реле (R-120 Ом, электролит С-2000, 2200 мкФ). Теперь все работает как надо. Очень удобно.

Хорошее решение. Но, имхо, достаточно подключить массу (от реле) не к 5-ому контакту, а к 4-ому на замке двери. Одновременное срабатывание будет исключено.


"После 50-ти жизнь только начинается" - подумал я, и... плеснул себе ещё 50-т...

 

Staryi.gif

Поделиться сообщением


Ссылка на сообщение
Поделиться на другие сайты

Возможно

Поделиться сообщением


Ссылка на сообщение
Поделиться на другие сайты
Да сделал согласно схемы от "Sergue" все работает но был один недостаток не с первого раза открывалась дверь с кнопки в салоне и с кнопки багажника, причина в одновременном срабатывании штатного "реле" и дополнительного, выход был найден сделать небольшую задержку (около1 сек.) на срабатывание доп реле включением RC цепочки в цепь питания реле (R-120 Ом, электролит С-2000, 2200 мкФ). Теперь все работает как надо. Очень удобно.

Вот бы ещё не схему, а пошагово с фотографиями что-куда (для неэлектриков)...

Поделиться сообщением


Ссылка на сообщение
Поделиться на другие сайты

постараемся

Поделиться сообщением


Ссылка на сообщение
Поделиться на другие сайты

Заранее спасибо!

Поделиться сообщением


Ссылка на сообщение
Поделиться на другие сайты
Хорошее решение. Но, имхо, достаточно подключить массу (от реле) не к 5-ому контакту, а к 4-ому на замке двери. Одновременное срабатывание будет исключено.

Испытал получилось так же как и в первом варианте, открывается с 5 попытки.

Поделиться сообщением


Ссылка на сообщение
Поделиться на другие сайты

В схеме ошибку сделал, сопротивление не так включил. Эта правильная.

post-2530-14518357348735_thumb.jpg

Поделиться сообщением


Ссылка на сообщение
Поделиться на другие сайты

Фото отчет по установке.

post-2530-14518357350086_thumb.jpg

post-2530-14518357355896_thumb.jpg

post-2530-14518357360936_thumb.jpg

post-2530-14518357366566_thumb.jpg

post-2530-14518357372637_thumb.jpg

post-2530-14518357377637_thumb.jpg

post-2530-14518357382817_thumb.jpg

post-2530-14518357388918_thumb.jpg

post-2530-14518357394048_thumb.jpg

post-2530-14518357400908_thumb.jpg

Поделиться сообщением


Ссылка на сообщение
Поделиться на другие сайты

и еще

post-2530-14518357407199_thumb.jpg

post-2530-14518357413349_thumb.jpg

post-2530-1451835742006_thumb.jpg

Поделиться сообщением


Ссылка на сообщение
Поделиться на другие сайты

А не подскажете - которая на схеме кнопка ОТКРЫВАНИЯ багажника и выводятся ли её контакты на какой-нить разъём ? Есть задумка сделать открывание багажника взмахом ноги, а добраться до самой кнопки (для дальнейшего развития процесса) изнутри - проблемно.

Поделиться сообщением


Ссылка на сообщение
Поделиться на другие сайты

параллельно кнопке на крышке

Поделиться сообщением


Ссылка на сообщение
Поделиться на другие сайты
параллельно кнопке на крышке

Дык к этой кнопке то и не добраться (вернее сложно)

Поделиться сообщением


Ссылка на сообщение
Поделиться на другие сайты

ничего сложного нет

Поделиться сообщением


Ссылка на сообщение
Поделиться на другие сайты

Vladimir152, так в итоге - все работает??? без косяков?

Поделиться сообщением


Ссылка на сообщение
Поделиться на другие сайты
ничего сложного нет

На вопрос ответить можете ?

Поделиться сообщением


Ссылка на сообщение
Поделиться на другие сайты
Vladimir152, так в итоге - все работает??? без косяков?

Все работает как часики.

Поделиться сообщением


Ссылка на сообщение
Поделиться на другие сайты
На вопрос ответить можете ?

Если вы хотите реализовать вашу задумку, то снять обшивку дверки багажника для вас труда составить не должно.

Поделиться сообщением


Ссылка на сообщение
Поделиться на другие сайты

Для публикации сообщений создайте учётную запись или авторизуйтесь

Вы должны быть пользователем, чтобы оставить комментарий

Создать учетную запись

Зарегистрируйте новую учётную запись в нашем сообществе. Это очень просто!


Регистрация нового пользователя

Войти

Уже есть аккаунт? Войти в систему.


Войти